পণ্যের বর্ণনা
জাহাজ লঞ্চের জন্য হেভি ডিউটি রাবার এয়ারব্যাগ কাস্টমাইজেবল সাইজ মেরিন এয়ারব্যাগ
বোট লিফটিং ব্যালন শিপ ল্যান্ডিং রাবার এয়ারব্যাগের প্রবর্তন
শিপ ল্যান্ডিং রাবার এয়ারব্যাগ, যা মেরিন এয়ারব্যাগ, ডকিং এয়ারব্যাগ, শিপ ল্যান্ডিং বেলুন এবং মেরি এয়ারব্যাগ নামেও পরিচিত, এখন কিছু শিপইয়ার্ডে, বিশেষ করে যেখানে কোন স্লিপওয়ে নেই সেখানে জাহাজ লঞ্চের জন্য একটি সুবিধাজনক উপায় হয়ে উঠেছে৷বর্তমানে, এটি ব্যাপকভাবে জাহাজ লঞ্চিং, ভারী বস্তু পরিচালনা এবং জল উদ্ধারে ব্যবহৃত হয়।




পণ্যের বিবরণ

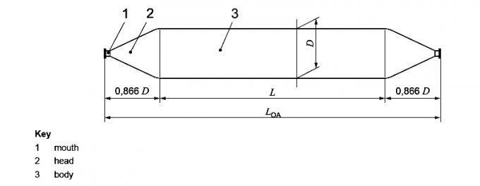
আমাদের মেরিন রাবার এয়ারব্যাগের কিছু স্বাভাবিক মাপ, কাস্টমাইজড মাপও পাওয়া যায়
|
ব্যাস(মি)
|
কার্যকরী দৈর্ঘ্য(মি)
|
স্তর
|
চাপ (MPa)
|
|
1.0
|
10
|
5~6
|
০.০৭~০.১০
|
|
1.0
|
12
|
5~6
|
০.০৭~০.১০
|
|
1.0
|
15
|
5~6
|
০.০৭~০.১০
|
|
1.2
|
10
|
5~6
|
০.০৮~০.১২
|
|
1.2
|
12
|
5~6
|
০.০৮~০.১২
|
|
1.2
|
15
|
5~6
|
০.০৮~০.১২
|
|
1.5
|
12
|
5~8
|
০.০৮~০.১৬
|
|
1.5
|
15
|
5~8
|
০.০৮~০.১৬
|
|
1.5
|
18
|
5~8
|
০.০৮~০.১৬
|
|
1.5
|
20
|
4~8
|
০.০৮~০.১৬
|
|
1.5
|
24
|
5~8
|
০.০৮~০.১৬
|
|
1.8
|
12
|
5~8
|
০.০৮~০.১৫
|
|
1.8
|
15
|
5~8
|
০.০৮~০.১৫
|
|
1.8
|
18
|
5~8
|
০.০৮~০.১৫
|
|
1.8
|
20
|
5~8
|
০.০৮~০.১৫
|
|
1.8
|
24
|
5~8
|
০.০৮~০.১৫
|
|
2.0
|
18
|
৬~১০
|
০.০৮~০.১৮
|
|
2.0
|
20
|
৬~১০
|
০.০৮~০.১৮
|
|
2.0
|
24
|
৬~১০
|
০.০৮~০.১৮
|
|
2.5
|
18
|
7~10
|
০.০৭~০.১৩
|
|
2.5
|
20
|
7~10
|
০.০৭~০.১৩
|
|
2.5
|
24
|
7~10
|
০.০৭~০.১৩
|
জাহাজ অবতরণের রাবার এয়ারব্যাগের গঠন
1) বাইরের রাবার স্তর
বাইরের রাবার স্তর যা সামুদ্রিক এয়ারব্যাগের বাইরের অংশকে ঘর্ষণ এবং অন্যান্য বাহ্যিক শক্তি থেকে রক্ষা করার জন্য ঢেকে রাখে।এই যৌগটির যেকোন অবস্থা এবং কঠিন ব্যবহার সহ্য করার জন্য পর্যাপ্ত প্রসার্য এবং ছিঁড়ে যাওয়ার শক্তি রয়েছে।
2) ভিতরের রাবার স্তর
অভ্যন্তরীণ রাবার স্তর সামুদ্রিক এয়ারব্যাগের ভিতরে চাপযুক্ত বাতাসকে সিল করে।
3) শক্তিবৃদ্ধি হিসাবে সিন্থেটিক-টায়ার-কর্ড স্তর
রিইনফোর্সমেন্ট কর্ড স্তরগুলি, যা সাধারণত টায়ারগুলিতে ব্যবহৃত সিন্থেটিক-টায়ার-কর্ড দিয়ে তৈরি, অভ্যন্তরীণ চাপ ধরে রাখতে এবং চাপকে সমানভাবে বিতরণ করার জন্য আদর্শ কোণে সাজানো হয়।তাই তারা শক্তিশালী দক্ষ শক্তিবৃদ্ধি প্রদান করতে পারে।
হেঙ্গার এয়ারব্যাগ দিয়ে তৈরি করা হয়অনন্য অবিচ্ছেদ্য টুইনিং কৌশল।এয়ারব্যাগের প্রাচীরের বেধ ওভারল্যাপ জয়েন্টে সেকেন্ডারি সীমের সাথে অভিন্ন।ঢাল এবং অসম জাহাজের পথে ঘূর্ণায়মান করার সময়, নমনীয় এয়ারব্যাগ কাঠামোর চাপ এবং জাহাজ চালু করার ঝুঁকি কমাতে সহায়ক।
ভারী বিকৃতির ঘটনাটি এয়ারব্যাগের স্তরগুলির মধ্যে বিচ্ছিন্নতা সৃষ্টি করবে, তারপরে আরও গুরুতর দুর্ঘটনা ঘটাবে।
হেঙ্গার মেরিন এয়ারব্যাগগুলিতে জাহাজ চালু করার প্রক্রিয়ায় এমন বিপজ্জনক বিকৃতির ঘটনা ঘটেনি


শিপ ড্রাই ডকিংয়ের জন্য রাবার এয়ারব্যাগের বৈশিষ্ট্য
1. বড় বহন ক্ষমতা
2. কম্প্রেশন এবং মোচড় বিরুদ্ধে উচ্চ ক্ষমতা
3. শেষে বিরোধী bursting নির্মাণ নতুন নকশা
4. অপ্টিমাইজ স্ট্রাকচারাল লেআউট
5. টেকসই বার্ধক্য প্রতিরোধের এবং বিরোধী পরিধান বৈশিষ্ট্য
6. উচ্চতর নমনীয়তা এবং স্যাঁতসেঁতে ক্ষমতা।